

通用产品信息

绝对最大额定值

推荐工作条件

激光芯片温度 25℃、初始特性(BOL)参数

热电制冷器

热敏电阻(标准负温度系数型)

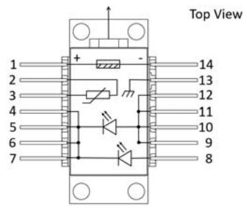
引脚定义


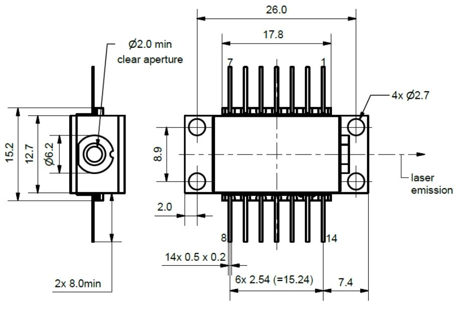
包装图纸


典型策略结果
输出功率 - 电流特性曲线

指定光输出功率下的光谱图

拆箱、安装及激光安全
激光二极管的拆封只能在静电安全工作区(EPA)进行。尽管激光时装中已采取了防静电放电(ESD)的保护措施,但表面仍可能发生ESD。请将本产品存放女在干燥、清洁的原包装内。在设备安装过程中,必须保持ESD防护。
DBR激光器对光反馈敏感,因此需要一个光隔离器来避免发射光谱受到任何干扰。在中等温度下运行,散热片将有助于延长二极管的使用寿命。避免直接和/或间接暴露于自由运行的光束。像光学仪器中常见的那样,用光学元件对自由运行的光束进行准直会增加对人眼的威胁。
本产品说明书中提供的性能数据、参数和任何说明性材料均为典型值,在适用于任何特定订单或合同之前,必须由Eagleyard Photonics以书面形式专门确认。限据Eagleyard Photonics的持续改进政策,规格可能会随时变更,恕不另行通知。
暂无
如有意向购买产品或者相关技术咨询,请联系我们