

产品概述

绝对最大额定值

推荐工作条件

光学特性(初始寿命 BOL,15℃)

电学与光束特性(初始寿命 BOL,15℃)

半导体制冷器(TEC)参数

热敏电阻参数(标准 NTC 型)

引脚定义


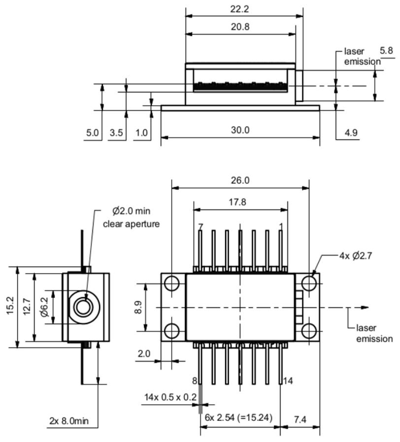
封装尺寸(单位:mm)

典型测试数据

拆封、安装与激光安全
激光二极管的拆封操作**仅可在静电安全工作台(EPA)**上进行。尽管激光器封装已具备**静电放电(ESD)防护**,器件表面仍可能产生电荷。请将本品置于原包装内,存放于**干燥、洁净**的环境中,直至正式使用。器件安装过程中,**必须持续做好静电防护**。
激光二极管对**光反馈**较为敏感,因此可能需要使用**光隔离器**,以避免发射光谱受到干扰。在**合适的散热器**上、**适中温度**下工作,有助于延长二极管的使用寿命。
避免让**自由出射光束**直接或间接照射人体。使用光学仪器中常见的光学元件对自由光束进行**准直与聚焦**,会**增强对人眼的伤害风险**。
每只激光二极管均随附**单独的测试报告**,用以验证本文件中所列的各项参数。
本规格书中提供的性能指标、数据及所有说明材料均为**典型值**,在适用于任何具体订单或合同前,**必须经eagleyard Photonics书面特别确认**。
暂无
如有意向购买产品或者相关技术咨询,请联系我们