

品牌:
进口(立陶宛)
特点:
产品负责人:
Richard光电导天线(用于800nm波长激光器)

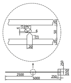
太赫兹发射器/探测器由集成了光电导体的微带天线组成。采用低温生长的砷化镓(LT-GaAs)作为光电导体。砷化镓衬底总厚度约为350mm,单个天线衬底的尺寸为1.5×5mm。天线采用金锗镍金属化工艺制成。有两种类型的发射天线可供使用(图1和图2)。

图1. 平行条形天线。所有尺寸单位均为微米。

图2. 7微米间隙,平行条形天线。所有尺寸单位均为微米。

图3. 太赫兹发射器的辐射功率与偏置电压的关系

图4. 使用TERAVIL LTG-GaAs 1太赫兹天线检测到的FFT频谱
暂无
如有意向购买产品或者相关技术咨询,请联系我们