产品中心

紧凑型可见光激光模块

品牌:

日本(QD Laser)

特点:

•可输出532nm、561nm、594nm波长光源
•光输出功率可选5mW、20mW、30mW、50mW
•低功耗
•低强度噪声
•窄光谱线宽
•支持直流至100MHz调制,可输出短脉冲
•超小体积:小于0.5立方厘米(尺寸5.6×3.8×22毫米)

产品负责人:

Villa

产品详情

1. 产品描述

QLD0593系列是一款基于近红外分布反馈(DFB)激光器倍频技术的可见光激光模块,采用紧凑型扁平封装形式组装。

2. 产品特点

•    可输出532nm、561nm、594nm波长光源

•    光输出功率可选5mW、20mW、30mW、50mW

•    低功耗

•    低强度噪声

•    窄光谱线宽

•    支持直流至100MHz调制,可输出短脉冲

•    超小体积:小于0.5立方厘米(尺寸5.6×3.8×22毫米)

3. 应用领域

•    光谱学

•    荧光显微镜

•    时间分辨测量

    干涉测量

4. 绝对最大额定值


*1 该参数为采用环氧树脂将分立型模块固定在散热片上时的技术要求

5. 光电特性


(除非另有说明,测试条件均为温控温度Tc=25℃)

*2 可选峰值波长公差±1nm的定制规格

*3 各波长对应的可用光输出功率详见第6节

*4 偏振方向与模块表面平行

6. 产品型号命名规则


注 (*5):峰值功率是指在使用合适的增益开关电路驱动时可辐射的最小峰值功率。

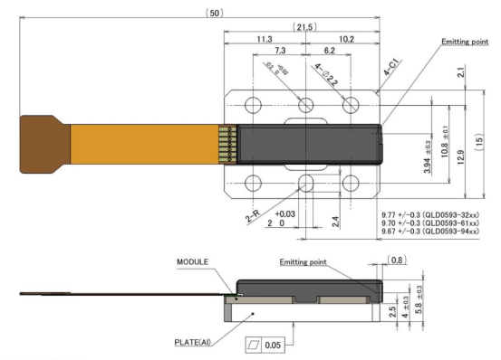
7. 外形尺寸图

(1)带安装板结构款


尺寸标注单位:毫米

推荐使用柔性印刷电路连接器:JST 07FM-1.0

(2)分立型结构款


备注:

    1.所有尺寸单位均为毫米;

    2.出光口位置:32xx型号(532nm)为0.43±0.3毫米,61xx型号(561nm)为0.50±0.3毫米,94xx型号(594nm)为0.53±0.3毫米;

    3.除非另有标注,所有尺寸公差均为±0.2毫米;

    4.推荐使用的柔性印刷电路连接器为JST 07FM-1.0。

8. 引脚定义


9. 典型工作特性

测试样品为QLD0593-6150,测试条件为模块温度25℃、连续波工作模式


(a)光输出特性与半导体光放大器正向电流(IfSOA)、DFB激光器正向电流(IfDFB)的关系


(b)光谱特性

10. 推荐固定方式

(1)QLD0593-xxxx-11(带安装板款)

使用4颗2#或M2螺丝固定,每颗螺丝的拧紧扭矩需小于0.1牛·米。

(2)QLD0593-xxxx(分立型模块)

可采用紫外固化环氧树脂或热固化环氧树脂,将模块固定在散热片上。

11. 光功率调节步骤

在实时测量光功率的前提下,按以下步骤操作:

    1.调节DFB激光器电流(及加热器电流),使光输出功率达到最大值;

    2.调节半导体光放大器电流,在最大额定值范围内得到所需的光功率;

    3.若有需要,重复步骤1至步骤2。

12. 注意事项

安全信息

本产品为3B类激光产品,符合美国《联邦法规》第21篇1040.10条款的要求。

设备工作时,请勿直视激光光束,激光可能对人眼造成损伤。

本产品含砷化镓材料,请勿对产品进行食用、焚烧、拆解及化学处理。

产品操作

半导体激光器易受过高温度、静电放电等外部应力损坏,

操作时需格外小心,并在最大额定值范围内使用。

因操作不当、遭受异常物理或电气应力导致的产品故障或工作异常,QD激光公司不承担任何责任。

环保合规

本产品符合欧盟《关于限制在电子电气设备中使用某些有害成分的指令》(2011/95/EC)的RoHS合规要求。

警示:激光辐射,避免直视光束,避免辐射暴露,本出光口处有激光辐射射出。

相关产品

    暂无

询价留言

如有意向购买产品或者相关技术咨询,请联系我们

姓名*

电话*

公司名称

请输入您感兴趣的产品或研究方向*