

品牌:
国产
特点:
产品负责人:
Giselle功能描述
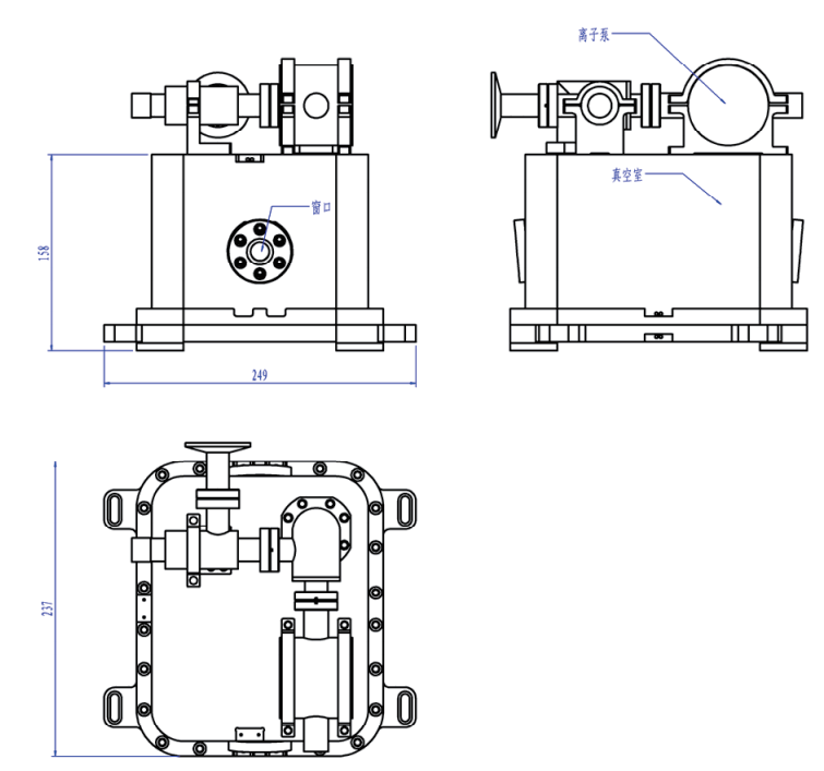
可搬运参考腔系统主要由:参考腔、支撑结构、热屏蔽层、真空系统组成。真空系统主要为参考腔提供稳定的真空环境,采用全铝的真空室为系统的温度控制提供了便利别条件,热屏蔽层可以为参考腔提供进一步的温度滤波效果,提高系统的长期稳定性。参考腔采用更可靠的紧固支撑结构,在经历振动和冲击后不影响参考的光路稳定性,结合全光纤光路(可定制),可方便实现整个稳频系统的可搬运设计。
主要特点
• 可搬运设计,抗力学冲击;
• 双层热屏蔽结构,热传递时间常数>30小时;
• 全铝真空壳体,方便热控,温度均匀性好;
• 低振动敏感性结构设计,三个方向振动敏感性均低于5x10-10/g;
• 腔体采用超低热膨胀系数玻璃(ULE)材料,有效腔长10cm:
• 参考腔可实现高于室温的零膨胀温度点(Tzc:28~35°C);
• 参考腔细度可订制;
性能指标

应用场景
为激光稳频系统提供频率参考,常用于Pound-Drever-Hall(PDH)激光稳频系统中。

锁频实例

参考腔在 PDH 稳频系统中的应用
温度传递时间常数

参考腔及真空系统温度传递时间常数测量
零膨胀温度点

参考腔零膨胀温度点(Tzc)测量(高于室温)
振动敏感度



性能评估

拍频级阿伦偏差

频率噪声谱
结构示意图

结构尺寸

暂无
如有意向购买产品或者相关技术咨询,请联系我们