产品中心

单刀双掷射频开关

品牌:

进口(美国Mini-circuits)

特点:

•宽频带,覆盖直流²至5000兆赫
•插入损耗低,典型值2.5分贝
•内置TTL驱动器
•开关速度快,上升/下降时间典型值4纳秒
•工作温度范围宽,-20℃至+85℃

产品负责人:

Richard

产品详情

ZASWA-2-50DRA+ 型吸收式单刀双掷射频开关

50欧姆 直流~5000MHz

核心优势

•    宽频带,覆盖直流²至5000MHz

•    高隔离度,典型值70dB

•    开关速度极快,典型值20纳秒

•    低视频串扰,典型值45mV(峰峰值)

封装类型:CY353

产品概述

ZASWA-2-50DRA+是一款高性能高隔离度固态吸收式单刀双掷射频开关,具备宽频带、快开关速度和优异的射频性能,是迷你电路公司经典开关型号ZASWA-2-50DR+的理想替代款,更多细节请参考应用笔记AN-80-021。其宽频带、高隔离度和快开关的特性,使其成为多款射频应用及系统的通用之选。

主要特性


注:所有射频接口均需做隔直处理或保持0伏直流电位,低频特性由射频端口耦合电容的取值决定。

产品特点

•    宽频带,覆盖直流²至5000兆赫

•    插入损耗低,典型值2.5分贝

•    内置TTL驱动器

•    开关速度快,上升/下降时间典型值4纳秒

•    工作温度范围宽,-20℃至+85℃

典型应用

•    蜂窝通信

•    工业、科学和医疗频段

•    个人通信网(PCN)

•    自动化开关网络

•    军工领域

产品概述

ZASWA-2-50DRA+是一款50欧姆高隔离度吸收式单刀双掷射频开关,专为射频/无线应用设计,工作频带覆盖直流²至5000兆赫,兼具低插入损耗和高隔离度的优势。该产品采用±5伏双电源供电,内置驱动电路,可通过标准电压等级轻松实现开关控制。

原理图及应用电路


射频电气指标(环境温度25℃,供电电压±5V,工作频带直流-5000MHz)

注1:低频段(<100兆赫)下,开关的动态范围会下降。

绝对最大额定值


注2:所有射频接口均需做隔直处理或保持0伏直流电位,低频特性由射频端口耦合电容的取值决定。

真值表(控制电压状态选择所需的开关状态)


注:导通=低插入损耗状态;关断=高隔离度状态

同轴接口布局


同轴接口功能


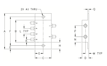
外形尺寸图(封装CY353)


外形尺寸(括号内为单位,英寸/毫米)


更多详细技术信息

更多产品信息可访问我司官网,在首页输入产品型号即可查询。

相关产品

    暂无

询价留言

如有意向购买产品或者相关技术咨询,请联系我们

姓名*

电话*

公司名称

请输入您感兴趣的产品或研究方向*