

品牌:
国产
特点:
产品负责人:
GiselleT55系列芯片原子钟
产品简介
T55系列国产化CPT芯片原子钟,安装尺寸和通信协议兼容 Microchip SA.5X系列芯片原子钟。比肩传统铷钟的精度但更低功耗的特性,使其特别适用于LTE基站、智能电网、企业网、便携式测试设备、数据通信机房等场合,是传统小铷钟类产品的优秀替代者。
产品指标

表1物理特性及技术指标参数
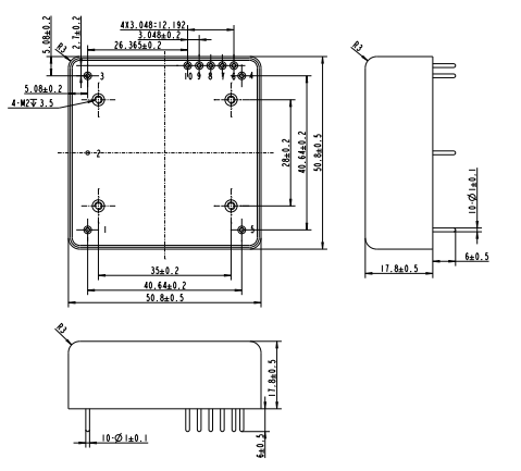
外形尺寸及接口

注:引脚位置公差士0.1
图1外形及引脚编号

表2引脚接口定义表
T55mini系列芯片原子钟
产品简介
T55mini系列国产化CPT芯片原子钟,是推出的全新一代CPT原子钟,安装尺寸和通信协议兼容T55系列,同样的精度但更小型化的体积,使其特别适用于数据机房、车载高精度授时模块、小型LTE基站、便携式测试设备、通信机房等场合,为使用者节省空间、提高系统容量,节省耗电、提高能耗比,是各种传统机房、车载类高精度时钟产品的优秀替代者。
产品指标

表1物理特性及技术指标参数
T45系列芯片原子钟
产品简介
T45系列国产化CPT芯片原子钟,安装尺寸、引脚定义和通信协议兼容MicrochipSA.45s芯片原子钟。比肩传统铷钟的精度和小于130mW超低功耗的特性,使其特别适合海底油气勘探节点(OBN)、地震传感器、智能电网、单兵电子对抗、GNSS接收机、无人机等领域的应用。
产品指标

表1物理特性及技术指标参数
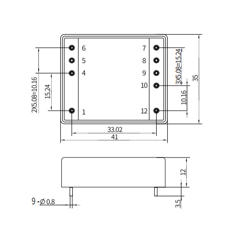
外形尺寸及接口

注:引脚位置公差士0.1
图1外形及引脚编号

表2引脚接口定义表
暂无
如有意向购买产品或者相关技术咨询,请联系我们