

类别:首页>中文>产品中心>科研与工业产品>射频|微波|太赫兹>同轴射频放大器(50kHz-500MHz)>
品牌:进口(美国)
特点:宽带宽,0.05 ~ 500 MHz
坚固屏蔽外壳
低噪声,典型值 4.2 dB
在线咨询
特性
• 宽带宽,0.05 ~ 500 MHz
• 坚固屏蔽外壳
• 低噪声,典型值 4.2 dB
应用领域
• 仪器仪表
• 实验室使用
• 甚高频/超高频(VHF/UHF)
型号:ZFL-500
所示为 SMA 版本 外壳型号:Y460
连接器类型:BNC 型号:ZFL-500-BNC
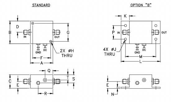
支架(选件“B”)
放大器电气规格

注:不建议空载使用,可能导致设备损坏。无负载时,最大输入功率需降额 20 dB。* 频率低于 0.1 MHz 时,电压驻波比(VSWR)可能增至 1.8。
最大额定值

注:超出上述任何极限值可能导致设备永久性损坏。
外形图

外形尺寸(单位:英寸/毫米)

典型性能数据/曲线


型号:ZFL-500
(曲线图说明:包含增益、电压驻波比、方向性、15V 时 1dB 压缩点输出功率、15V 时噪声系数随频率变化的曲线,横坐标均为频率(MHz),纵坐标分别为对应性能参数值)


如有意向购买产品或者相关技术咨询,请联系我们