

一、产品概述
P2S30 是一款适用于 1 英寸反射镜的高速压电驱动倾斜反射镜架。该产品专为配合 MRC 紧凑型激光光束稳定系统而优化,自 2021 年起已成为该系统的标准配置型号。
反射镜架配备大孔径设计,可用于检测反射镜后方的残余光线,因此能够将位置检测器直接安装在反射镜后方。同时,P2S30 支持左侧或右侧光束传输安装方式,适配不同使用场景需求。
压电叠堆采用特殊集成设计,确保反射镜能够以最高速度实现精准、无级调节。其机械倾斜范围可达 2 毫弧度,可实现最大 4 毫弧度的光束偏转;此外,还可通过细牙螺丝进行 ±4.5° 的手动调节。
反射镜支架与普通反射镜架通用,无需粘接即可插入并固定常用激光反射镜。该产品支持 24/7 全天候连续运行,另有洁净室专用版本以及适用于最高 10⁻⁶ 毫巴压力环境的特殊版本可供选择。
二、技术参数
(一)核心性能参数

*注:该共振频率参数适用于 1 英寸反射镜且厚度为 1/8 英寸的配置场景。
(二)通用参数

三、引脚配置(Lemo FFA.0S.304.CLAC32 连接器)

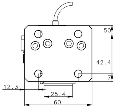
四、技术图纸说明



暂无
如有意向购买产品或者相关技术咨询,请联系我们