

特性
• 带宽和频率响应不受探测器电容影响(最高50pF)
• 低噪声,等效输入噪声电流3.5pA/√Hz
• 带宽:直流至20MHz
• 互阻(增益):1×10⁵V/A
• 具备±3.5千伏瞬态电压保护功能
应用
• 光电二极管与光电倍增管放大器
• 光谱学电荷放大器
• 电离探测器
• 锁相放大器、模数转换器等设备的前置放大器
技术规格
测试条件:电源电压±15伏,环境温度25℃

技术规格(续)


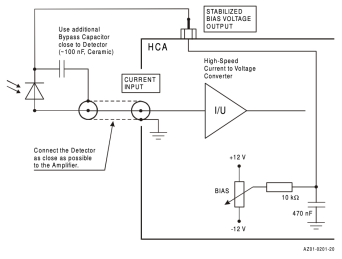
应用建议
1.在探测器旁加装旁路电容(约100纳法,陶瓷电容),是高速应用场景的最优选择,可实现最佳信噪比。
2.将探测器尽可能靠近放大器连接。

光电导模式下的光电探测器偏置:
高速应用和最佳信噪比性能的理想选择。
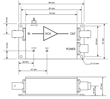
尺寸

暂无
如有意向购买产品或者相关技术咨询,请联系我们