



品牌:
进口(美国)
特点:
产品负责人:
Richard产品特性
• 通过USB接口,由开源的实验室虚拟仪器工程工作台图形用户界面软件实现控制
• 无需电脑也可运行硬件功能
• 可作射频混频器或射频信号发生器使用
• 支持上变频、下变频
• 锁相环频率分辨率达1Hz
• 混频器输入频率范围:1MHz–6GHz
• 混频器输出频率范围:5MHz–4.5GHz
• 本振输出频率范围:85MHz–5GHz
• 标准本振射频锁定时间:3ms
• 信号发生器输出功率最高可达+7dBm
• 外部参考输入频率:10MHz–100MHz
• 内置10MHz参考源,容差2.5ppm
• 支持内部、外部频移键控调制
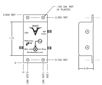
• 产品尺寸:2.5英寸×1.375英寸×0.75英寸(6.35厘米×3.5厘米×1.9厘米)
产品概述
MixNV是一款1MHz至6GHz的软件可编程射频混频器,可实现上变频、下变频,也可作为射频信号发生器使用。设备内置锁相环本地振荡器,由运行Windows、安卓或Linux系统的电脑通过USB接口供电并控制(安卓和Linux系统需搭配免费的第三方命令行终端软件)。
该振荡器借助先进的西格玛-德尔塔调制锁相环,能以1Hz为步长在85MHz至4.2GHz区间调谐,杂散产物低,相位噪声性能优异(调谐至5GHz时性能会有所下降)。
MixNV还配备板载非易失性存储器,可预编程设置,开机后自动切换至指定本振频率、频移键控调制模式或其他参数。这一特性让终端用户可将设备集成至机箱或机架中,无需电脑持续控制。
应用领域
• 无线通信系统
• 射频与微波无线电设备
• 软件定义无线电
• 20美元级6吉赫射频软件定义无线电频率扩展器
• 超外差接收机
• 频率上变频
• 频率下变频
• 频移键控调制器
• 自动测试设备
• 雷达系统
• 量子器件研究

1 产品特性
1.1 电气特性

注*1:保持电源插头供电电压不低于USB接口供电电压,设备将从电源插头取电,而非USB接口。设备内置二极管,可防止反向电流流入电脑USB接口。
1.2 热工作特性


暂无
如有意向购买产品或者相关技术咨询,请联系我们